Product Description
Model Naming
Selection Examples:YB090 - 10 - S2 - P2/MHMD-082GIU
① ② ③ ④
| Symbol | Instruction | Specific Classification |
| ① | Reducer Type | YB042/YB060/YB090/YB115/YB142/YB180/YB220 |
| ② | Reduction ratio | Single-stage:3,4,5,6,7,8,10 Two-stage:12,15,20,25,30,35,40,50,60,70,80,100 |
| ③ | Output Shaft Type Selection | S1:Smooth straight shaft S2:Attachment Key Straight Shaft |
| ④ | Motor Model |
Performance Parameters
| Specifications | Series | Reduction ratio | YB042 | YB060 | YB090 | |
| Rated Output TorqueT2N | NM | 1 | 3 | 20 | 55 | 130 |
| 4 | 19 | 50 | 140 | |||
| 5 | 22 | 60 | 160 | |||
| 6 | 20 | 55 | 150 | |||
| 7 | 19 | 50 | 140 | |||
| 8 | 17 | 45 | 120 | |||
| 10 | 14 | 40 | 100 | |||
| 2 | 12 | 20 | 55 | 130 | ||
| 15 | 20 | 55 | 130 | |||
| 20 | 19 | 50 | 140 | |||
| 25 | 22 | 60 | 160 | |||
| 30 | 22 | 50 | 130 | |||
| 35 | 22 | 60 | 160 | |||
| 40 | 22 | 50 | 140 | |||
| 50 | 22 | 60 | 160 | |||
| 60 | 20 | 55 | 150 | |||
| 70 | 19 | 50 | 140 | |||
| 80 | 17 | 45 | 120 | |||
| 100 | 14 | 40 | 100 | |||
| Maximum output torque T2B | NM | 1.2 | 3~100 | 3 times rated output torque | ||
| Rated Input Speed n1 | RPM | 1.2 | 3~100 | 5000 | 5000 | 4000 |
| Maximum input speed n1b | RPM | 1.2 | 3~100 | 10000 | 10000 | 8000 |
| Backlash | arcmin | 1 | 3~10 | <=5 | <=5 | <=5 |
| 2 | 12~100 | <=7 | <=7 | <=7 | ||
| Torsional stiffness | NM/arcmin | 1,2 | 3~100 | 3 | 7 | 14 |
| Allowable radial force F2rb2 | N | 1,2 | 3~100 | 780 | 1530 | 3250 |
| Allowable axial force F2a1B2 | N | 1,2 | 3~100 | 350 | 630 | 1300 |
| Allowable axial force F2a2B2 | N | 1,2 | 3~100 | 390 | 765 | 1625 |
| Service life | hr | 1,2 | 3~100 | 20000* | ||
| Efficiency η | % | 1 | 3~10 | >=97% | ||
| 2 | 12~100 | >=94% | ||||
| Weight | kg | 1 | 3~10 | 0.5 | 1.3 | 3.7 |
| 2 | 12~100 | 0.8 | 1.9 | 4.1 | ||
| Operating Temperature | ℃ | 1,2 | 3~100 | -10℃~+90℃ | ||
| Lubrication | 1,2 | 3~100 | Synthetic Lubricating Grease | |||
| Protection Rating | 1,2 | 3~100 | IP65 | |||
| Installation Direction | 1,2 | 3~100 | any direction | |||
| Noise level(n1=3000rpm) | 1,2 | 3~100 | <=56 | <=58 | <=60 | |
| Specifications | Series | Reduction ratio | YB115 | YB142 | YB180 | YB220 | |
| Rated Output TorqueT2N | NM | 1 | 3 | 208 | 342 | 588 | 1140 |
| 4 | 290 | 542 | 1050 | 1700 | |||
| 52 | 330 | 650 | 1200 | 2000 | |||
| 6 | 310 | 600 | |||||
| 7 | 300 | 550 | 1100 | 1800 | |||
| 8 | 260 | 500 | 1000 | 1600 | |||
| 10 | 230 | 450 | 520 | 1220 | |||
| 2 | 12 | 208 | 342 | ||||
| 15 | 208 | 342 | 588 | 1140 | |||
| 20 | 290 | 542 | 1050 | 1700 | |||
| 25 | 330 | 650 | 1200 | 2000 | |||
| 30 | 208 | 342 | 1200 | 2000 | |||
| 35 | 330 | 650 | 1200 | 2000 | |||
| 40 | 290 | 542 | 1200 | 2000 | |||
| 50 | 330 | 650 | 1200 | 2000 | |||
| 60 | 310 | 600 | |||||
| 70 | 300 | 550 | 1100 | 1800 | |||
| 80 | 260 | 500 | 1000 | 1600 | |||
| 100 | 230 | 450 | 520 | 1220 | |||
| Maximum output torque T2B | NM | 1.2 | 3~100 | 3 times rated output torque | |||
| Rated Input Speed n1 | RPM | 1.2 | 3~100 | 4000 | 3000 | 3000 | 2000 |
| Maximum input speed n1b | RPM | 1.2 | 3~100 | 8000 | 6000 | 6000 | 4000 |
| Backlash | arcmin | 1 | 3~10 | <=5 | <=5 | <=5 | <=5 |
| 2 | 12~100 | <=7 | <=7 | <=7 | <=7 | ||
| Torsional stiffness | NM/arcmin | 1,2 | 3~100 | 25 | 50 | 145 | 225 |
| Allowable radial force F2rb2 | N | 1,2 | 3~100 | 6700 | 9400 | 14500 | 50000 |
| Allowable axial force F2a1B2 | N | 1,2 | 3~100 | 3000 | 4000 | 6200 | 35000 |
| Allowable axial force F2a2B2 | N | 1,2 | 3~100 | 3350 | 4700 | 7250 | 25000 |
| Service life | hr | 1,2 | 3~100 | 20000* | |||
| Efficiency η | % | 1 | 3~10 | >=97% | |||
| 2 | 12~100 | >=94% | |||||
| Weight | kg | 1 | 3~10 | 7.8 | 14.5 | 29 | 48 |
| 2 | 12~100 | 9 | 17.5 | 33 | 60 | ||
| Operating Temperature | ℃ | 1,2 | 3~100 | -10℃~+90℃ | |||
| Lubrication | 1,2 | 3~100 | Synthetic Lubricating Grease | ||||
| Protection Rating | 1,2 | 3~100 | IP65 | ||||
| Installation Direction | 1,2 | 3~100 | any direction | ||||
| Noise level(n1=3000rpm) | 1,2 | 3~100 | <=63 | <=65 | <=67 | <=70 | |
Inertia
| Specifications | Series | Reduction ratio | YB042 | YB060 | YB090 | YB115 |
Moment of inertia kg·cm2 | 1 | 3 | 0.03 | 0.16 | 0.61 | 3.25 |
| 4 | 0.03 | 0.14 | 0.48 | 2.74 | ||
| 5 | 0.03 | 0.13 | 0.47 | 2.71 | ||
| 6 | 0.03 | 0.13 | 0.45 | 2.65 | ||
| 7 | 0.03 | 0.13 | 0.45 | 2.62 | ||
| 8 | 0.03 | 0.13 | 0.44 | 2.58 | ||
| 10 | 0.03 | 0.13 | 0.44 | 2.57 | ||
| 2 | 12 | 0.03 | 0.03 | 0.13 | 0.47 | |
| 15 | 0.03 | 0.03 | 0.13 | 0.47 | ||
| 20 | 0.03 | 0.03 | 0.13 | 0.47 | ||
| 25 | 0.03 | 0.03 | 0.13 | 0.47 | ||
| 30 | 0.03 | 0.03 | 0.13 | 0.47 | ||
| 35 | 0.03 | 0.03 | 0.13 | 0.47 | ||
| 40 | 0.03 | 0.03 | 0.13 | 0.47 | ||
| 50 | 0.03 | 0.03 | 0.13 | 0.44 | ||
| 60 | 0.03 | 0.03 | 0.13 | 0.44 | ||
| 70 | 0.03 | 0.03 | 0.13 | 0.44 | ||
| 80 | 0.03 | 0.03 | 0.13 | 0.44 | ||
| 100 | 0.03 | 0.03 | 0.13 | 0.44 |
| Specifications | Series | Reduction ratio | YB142 | YB180 | YB220 |
Moment of inertia kg·cm2 | 1 | 3 | 9.21 | 28.98 | 69.61 |
| 4 | 7.54 | 23.67 | 54.37 | ||
| 5 | 7.42 | 23.29 | 53.27 | ||
| 6 | 7.25 | 22.75 | 51.72 | ||
| 7 | 7.14 | 22.48 | 50.97 | ||
| 8 | 7.07 | 22.59 | 50.84 | ||
| 10 | 7.03 | 22.51 | 50.56 | ||
| 2 | 12 | 2.71 | 7.42 | 23.29 | |
| 15 | 2.71 | 7.42 | 23.29 | ||
| 20 | 2.71 | 7.42 | 23.29 | ||
| 25 | 2.71 | 7.42 | 23.29 | ||
| 30 | 2.71 | 7.42 | 23.29 | ||
| 35 | 2.71 | 7.42 | 23.29 | ||
| 40 | 2.71 | 7.42 | 23.29 | ||
| 50 | 2.57 | 7.03 | 22.51 | ||
| 60 | 2.57 | 7.03 | 22.51 | ||
| 70 | 2.57 | 7.03 | 22.51 | ||
| 80 | 2.57 | 7.03 | 22.51 | ||
| 100 | 2.57 | 7.03 | 22.51 |
YB-060-L1

YB-060-L2

YB-042-L1

YB-042-L2

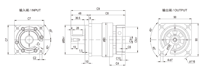
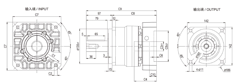
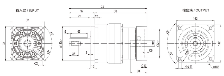
YB-090-L1

YB-090-L2

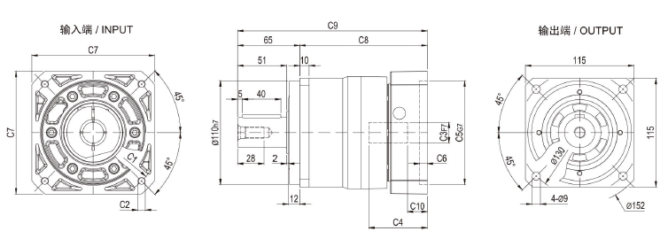
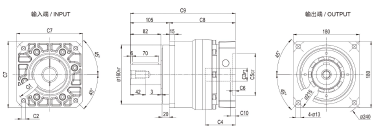
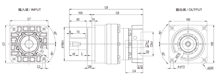
YB-115-L1

YB-115-L2

YB-142-L1

YB-142-L2

YB-180-L1

YB-180-L2
